滚珠丝杆步进电机

 

60滚珠丝杆电机

机身长度:55-100mm

保持力矩:1.5-4.0 N.M

额定电流:5A

电 阻:0.42-1.07

额定电压:2.1-4.2V

技术参数
命名规则
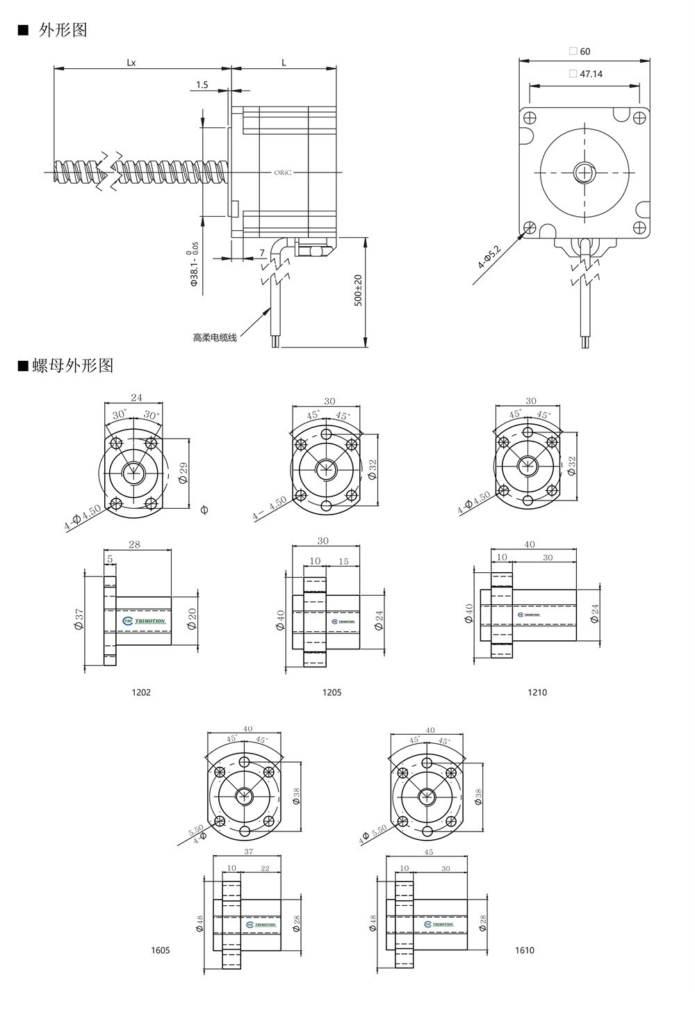
尺寸说明
矩频曲线
资料下载

222

111

333

更多产品

在线客服
客服热线
0769-8328 8820 0769-8328 8820
服务时间:
8:30 - 18:00
技术支持
分类
新闻资讯
分类
关于惠鼎
分类
  • img
  • img
  • img